TorqueSim Releases First SR22 Interior Images

In the second weekly update since TorqueSim’s SR22 announcement in late January, the team, consisting of members from Advanced Flight Modelling and Attitude Simulations, have dropped the first interior renders of the aircraft in addition to further information on the aircraft’s electrical and circuit breaker systems.

In the blog post made on the TorqueSim website, they summarise the contents of the update:

“This week, we will show previews of the interior and demonstrate the many features of the electrical system that is being simulated, even beyond the individual circuit breakers.”

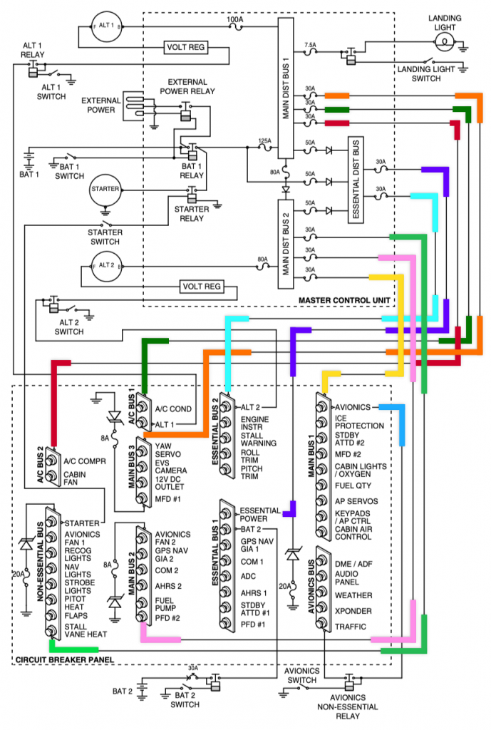
“The electrical system is complex, but important to be accurate. We have simulated many different aspects of the system:

Electrical Sources

  • Battery 1 and 2
  • Alternator 1 and 2

Electrical Distribution Busses

  • Main Distribution Bus 1/2
  • Essential Distribution Bus

Electrical Busses

  • Main Bus 1/2/3
  • Avionics Bus
  • Essential Bus 1/2
  • Non-Essential Bus
  • A/C Bus 1/2

“With the accurate representation of these many different busses (and associated circuit breakers), we can ensure a proper simulation of the avionics/systems in all the many different potential configurations imposed by mismanagement or failures – providing a robust platform to train upon.”

Also included was a diagram displaying all the connections made in the SR22’s electrical system. See if you can make sense of it:

You can view the source post for this article on the TorqueSim website.

Threshold encourages informed discussion and debate - though this can only happen if all commenters remain civil when voicing their opinions.

Leave the first comment

Follow us on our socials!